レーザヘッド
LASER HEAD

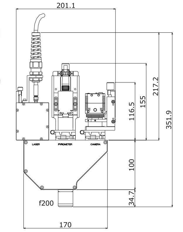
ツインビーム同 軸レーザ ヘッド
3 軸 Blue ヘッド MPR450LH-COART-TWN
仕様
spec
- レーザー:波長 450nm
- ビーム形状:丸形、矩形
- ビーム径:φ30µm~
- 温度センサ:140~2000℃
- カメラ:フルハイビジョン
- 重量:約2.5kg
3 軸 IR ヘッド MPR900LH-COART-TWN
仕様
spec
- レーザー:波長 900nm
- ビーム形状:丸形、矩形
- ビーム径:φ30µm~
- 温度センサ:140~2000℃
- カメラ:フルハイビジョン
- 重量:約2.5kg
メールでのお問い合わせ・お見積り・カタログ請求
